
文章图片

文章图片
践行者初中物理电学典题详解第618题
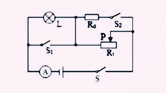
618.如图电路 , 电源电压保持不变 , 滑动变阻器R1标有“30Ω 1A” , 定值电阻R0的阻值为10Ω , 小灯泡L标有“6V 3.6W”(电阻不随温度而变化) , 电流表的量程为0~3A 。 当S闭合 , S1、S2断开 , 滑片P移到R的中点时 , 小灯泡恰好正常发光 。 在保证电路安全的前提下 , 电路消耗总功率的最小值与最大值之比是( )
A 1:4 B.1:8 C.2:7 D.3:20
解析:1当只闭合S , 且R1滑片置于中点时:
1.1分析电路图可知:
①L与R1串联 , ②A测量电路中的电流I;
1.2由题意可知:
①L正常发光 , 且RL不随温度变化 ,
【此题让你知晓在保证电路安全的前提下,如何确定电路总功率的最值】UL额=6V , PL额=3.6W ,
则:I=IL额=PL额/UL额=3.6W/6V=0.6A ,
UL=UL额=6V ,
RL=UL额/PL额=6V/0.6A=10Ω ,
②R1max=30Ω , 则R1=R1max/2=30Ω/2=15Ω ,
则U=UL+IR1=6V+0.6A×15Ω=15V 。
2在保证电路安全的前提下:
2.1欲使电路消耗的总功率最大 , 只需闭合S、S1、S2 , 此时L短路 , R0与R1max并联 , A测量干路中的电流I' , 电路图如下图所示;
2.2由题意可知:
①U=15V , ②R0=10Ω ,
③R1标有“30Ω 1A”字样 , 则I1max=1A ,
又I0=U/R0=15V/10Ω=1.5A ,
所以I'max=I0+I1max=1.5A+1A=2.5A ,
则Pmax=UI'max;
2.3欲使电路消耗的总功率最小 , 只需闭合S , 且将R1滑片置于最右端 , 此时L与R1max串联 , A测量电路中的电流I'' , 电路图所下图所示;
2.4由题意可知:
①U=15V , ②RL=10Ω , ③R1max=30Ω ,
则:I''min=U/(RL+R1max)=15V/(10+30)Ω=0.375A ,
Pmin=UI''min;
2.5综上:Pmin∶Pmax=Imin∶Imax
=0.375A∶2.5A=3∶20 , 故D正确 。
践行者初中物理:喜欢的请点赞关注!
推荐阅读
- 不同角度的诠释,让你明白两灯泡串联的功率或者亮度问题。
- 25个超实用的DeepSeek指令!让你轻松驾驭 AI
- 新款Honor 400 Lite设计曝光,绝对让你心动!
- 2025华为购机指南:这四款手机让你笑傲朋友圈,钱包还不哭!
- 2025年免费公共DNS服务器大全:告别卡顿,让你自由上网!
- 惠威音响,声音清晰到让你耳朵怀孕!
- 送外卖不如学AI?2亿零工族逆袭指南:3招让你比机器人更值钱!
- 手机用五年不卡顿?这四款让你告别换机焦虑,512GB白菜价闭眼入
- 2025信号王者争霸赛:小米、荣耀、魅族,谁能让你告别失联社死
- 用DeepSeek做PPT的正确姿势,效率简直突破天际,让你怀疑人生!
