户型七
占地尺寸:12.74m × 12.44m
占地面积:142㎡
建筑面积:374㎡
建筑高度:13.3m
建筑结构:砖混结构
建筑情况:设7室 2厅 5卫 1厨房 1洗衣房 1起居室 1玄关 1棋牌室 1露台 1阳台

平面布局图:



户型八
占地尺寸:8.8m × 13.8m
占地面积:111㎡
建筑面积:302㎡
建筑高度:12.4m
建筑结构:砖混结构
建筑情况:设4室 4厅 3卫 1厨 1玄关 1书房 1露台 4阳台

平面布局图:



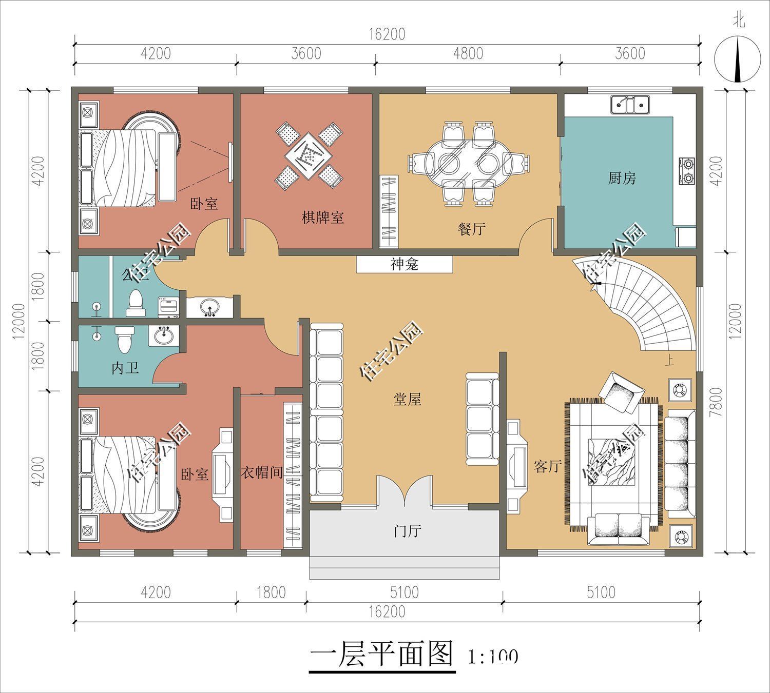
户型九
占地尺寸:16.2m × 12m
占地面积:196.6㎡
建筑面积:542㎡
建筑高度:14m
建筑结构:框架结构
建筑情况:设9室 3厅 1厨 1餐厅5卫

平面布局图:



户型十
占地尺寸:18.24m × 14.14m
占地面积:195㎡
建筑面积:475㎡
建筑高度:10.2m
建筑结构:框架结构
建筑情况:设7室 2厅 6卫 1厨 1起居室 1储物间 1洗衣房 1玄关 3露台 1生活阳台 1衣帽间 1凉亭

平面布局图:



【 平面|推荐10套带旋转楼梯的农村别墅,楼梯做螺旋设计,美观又大气】关注本号,获取更多户型信息,了解更多建房小知识。
推荐阅读
- 4月6日南宁商品房网签310套|市场成交 | 网签
- 商品|种草系列!时尚好用的家居厨房电器推荐。
- 薄侧柜|有哪些冷门但实用的家居设计值得分享?我强烈推荐“薄侧柜设计”
- 厨具|8款超实用的厨房平价好物推荐:从收纳到厨具,性价比贼高!
- 装修风格|烦了,厨房到处是油污!去污不如防污,亲身体验泣血推荐!
- 建筑面积|四套带堂屋的别墅推荐,最低30万就能建!来看看你喜欢哪套?
- 冷热水管|家庭装修推荐这几款小物件,便宜好用质量安全又省心,卫生间的地漏,角阀,冷热水管等等。
- 购房置业|老家有这般好看的住宅,谁不羡慕?这5套别墅户型,强烈推荐
- 蓝牙|打工人-办公室装备推荐
- 房子|享装修 篇一:推荐两本书,装修少掉发,打造理想家
