l1|纯干货:开关插座接线不求人,家庭中用得到的接线方法全在这里了
某种开关(插座)怎么接线,是我被身边朋友问得最多的一个问题。这个事情想来也很正常:装修的时候集中安装还好办,找几个师傅统一装好就行了。如果某一个开关插座坏掉了,需要自己动手更换,难免会傻眼。

今天我总结了一下家庭中的常见开关插座,并绘制接线图如下。接线时,应按照开关插座接线柱上的标识(L,L1,N等称为“标识”),对照接线图上的标识进行接线——个别品牌的插座标识没有按照规范来,此时需要结合开关背面的接线图来判断如何接线,未来几天我会出这一类的教程。
开关篇单开单控开关

1.开关中的“L”有可能写作“COM”;
2.两个接线柱,哪个接火线、哪个接灯线,没有严格规定,二者对调依然可以使用,无任何影响。
多开单控开关(以三开为例)

1.开关中的“L”有可能写作“COM”;
2.另一种多开单控开关,接线柱数量为开关按键数量的2倍,每个按键对应两个接线柱,接法如下▼

单开双控开关

两个开关的L1和L2接线柱,可以像上图这样平行相接(A开关的L1接B开关的L1),也可以交叉相接(A开关的L1接B开关的L2)。
区别在于,平行相接时,两个开关的按键一上一下为关灯,同上同下为开灯;交叉相接时,两个开关的按键同上同下为关灯,一上一下为开灯。
多开双控开关(以二开为例)

1.示例中只接了一个开关按键,另一个按键的接法相同;
2.和单开双控开关一样,两个开关之间的连接线可以平行也可以交叉。
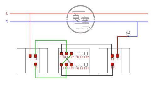
单开多控开关(以三控为例)

1.中间那个开关叫做“中途开关”,正面一个按键,背面六个接线柱。接线时先按照图中这样把其中两组接线柱接在一起。
2.三个及以上开关时,需要使用N-2个中途开关和2个双控开关。
双开多控开关

三开多控开关

1.三开多控开关其实只有中间那个按键是中途开关,两边的按键都是双控开关。
2.一般带中途开关的功能,最多只有三个按键。
智能开关

使用智能开关,需要在布线时把零线也引到开关接线盒处——市面上有无零线智能开关出售,但是那种开关的稳定性比较差(经常掉线),使用体验极差,不建议购买。
推荐阅读
- 三居室|118平现代风三居室,一个简单而纯粹还原生活色彩的家
- 紫薇|44个纯新盘将入市!2022西安楼市供货足血液新选择多
- 200㎡现代风,原木、纯白、浅灰三色融合,打造通透空间
- 南昌|南昌上周7盘领出预售!两大纯新盘即将入市!
- 滨湖|滨湖区省府东板块现在人气怎么样了?实探保利招商0506两个纯新盘!
- 重庆|毛坯限价16567元/㎡!案名拟定!泉州又一纯新盘入市在即!
- 上海市|濮阳东片区又一纯新盘取得建设用地规划许可证!
- 装修|【装修干货】8种火爆装修材料,你钟意哪一款?
- 广西|长沙今日5项目认筹中 央企纯新盘首开均价7字头
- |你知道家里干货的优点吗?
